公司介绍
董事长致辞
领导团队
企业荣誉
领导关怀
宏达风貌
众博线上登陆
公司公告
公司新闻
媒体看宏达
行业新闻
政策法规
党建工会
党委
工委
宏达文化
文化理念
宏达之歌
营销中心
棒材
钢坯
线材
盘螺
产品认证
客户留言
客户留言
众博(中国)
众博(中国)
招聘信息
电商平台
首页
公司介绍
公司概况
董事长致辞
领导团队
企业荣誉
领导关怀
宏达风貌
众博线上登陆
公司公告
公司新闻
媒体看宏达
行业新闻
政策法规
党建工会
党委
工会
宏达文化
文化理念
宏达之歌
营销中心
棒材
钢坯
线材
盘螺
产品认证
客户留言
众博(中国)
众博(中国)
招聘信息
电商平台
公司介绍
公司概况
董事长致辞
领导团队
企业荣誉
领导关怀
宏达风貌
众博线上登陆
公司公告
公司新闻
媒体看宏达
行业新闻
政策法规
党建工会
党委
工委
宏达文化
文化理念
宏达之歌
营销中心
棒材
钢坯
线材
盘螺
产品认证
客户留言
客户留言
众博(中国)
众博(中国)
招聘信息
电商平台
众博线上登陆
首页
众博线上登陆
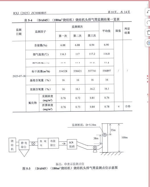
第3季度污染物监测结果
第3季度污染物监测结果
时间:
2025-10-22
第3季度污染物监测结果
第3季度污染物自行监测
400-635-6661(售后投诉)
sxhdjt@163.com
华体平台
|
九游网页
|
MK平台
|
九游网官网登录入口
|
拼搏在线登录入口
|
平搏首页
|
九游网·官方端网站登录入口
|
拼搏在线登录入口
|
拼搏官方网站
|